AQ 1076-2009 煤礦低濃度瓦斯管道輸送安全保障系統設計規范
- 發表時間:2022-09-21
- 來源:共立消防
- 人氣:
1 范圍
本標準規定了煤礦低濃度瓦斯管道輸送安全保障系統設計時的基本規定、安全設施的安裝要求等內容。
本標準適用于煤礦低濃度瓦斯管道輸送的安全保障系統設計。
2 規范性引用文件
下列文件中的條款通過本標準的引用而成為本標準的條款。凡是注日期的引用文件,其隨后所有的修改單(不包括勘誤的內容)或修訂版均不適用于本標準,然而,鼓勵根據本標準達成協議的各方研究 是否可使用這些文件的最新版本。凡是不注日期的引用文件,其最新版本適用于本標準。
GB 50016 建筑設計防火規范
GB 50028 城鎮燃氣設計規范
GB 50057 建筑物防雷設計規范
GB 50160 石油化工企業設計防火規范
GB 50471 煤礦瓦斯抽采工程設計規范
AQ 1071 煤礦用非金屬瓦斯輸送管材安全技術要求
MT 209 煤礦通信、檢測、控制用電工電子產品通用技術要求
CJJ 33 城鎮燃氣輸配工程施工及驗收規范
3 術語和定義
下列術語和定義適用于本標準。
3.1
煤礦低濃度瓦斯 low concentration gas of coal mine
甲烷體積濃度大于或等于3%且小于30%的煤礦瓦斯。
3.2
水封阻火泄爆裝置 water sealing of fire barriering & explosion venting devices
采用水封消焰阻火、泄爆部件泄除爆炸壓力,將管道內瓦斯爆炸控制在一定范圍內的安全保障裝置。
3.3
自動噴粉抑爆裝置 automatic spurtting powder explosion suppression devices
通過對瓦斯管道燃燒或爆炸信息的探測,自動噴出干粉滅火劑將燃燒或爆炸傳播過程中的火焰撲滅,抑制燃燒或爆炸火焰傳播的裝置。
3.4
自動阻爆裝置 automatic preventing explosion devices
通過對瓦斯管道燃燒或爆炸火焰、壓力等信息的探測,自動控制阻爆閥門動作,阻斷燃燒爆炸火焰傳播的裝置。
3.5
脫水器 dehydration device
在細水霧與低濃度瓦斯混合物的輸送末端將游離水分離出來的一種設備。
4 基本規定
4.1 煤礦低濃度瓦斯管道輸送安全保障系統設計時應遵循“阻火泄爆、抑爆阻爆、多級防護、確保安全”的基本原則。
4.2 在煤礦低濃度瓦斯管道輸送系統中靠近可能的火源點(發電機組、地面排空管口、自燃和易自燃煤層采空區抽瓦斯管入口等)附近管道上,應安設安全保障設施,確保管道輸送安全。
4.3 發電用瓦斯管道輸送系統中宜安設防逆流裝置,防止抽采泵突然停泵而出現回流。
4.4 低濃度瓦斯管道輸送系統不得設置緩沖罐。
4.5 加壓設備應選擇濕式壓縮機。
4.6 抽采設備應選擇濕式抽采泵。
4.7 正壓輸送時,輸送壓力不宜超過20kPa。
4.8 脫水器內應無機械運動零部件和電氣部件。
4.9 在管道輸送系統中應設置安全監測控制設施。安全監測控制設施除應符合MT 209的有關規定外,還應具有以下功能:
a)瓦斯管道輸送安全保障設施的狀態參數監測、顯示及報警;
b)在發生瓦斯燃燒或爆炸時,監測控制設施應能控制安全保障設備快速啟動,將瓦斯燃燒或爆炸控制在一定范圍內。
4.10 安設在瓦斯輸送管道上的所有安全設施應符合各自產品的通用技術條件。
4.11 安全保障設施安設段管道及附件應能承受正壓2.5 MPa的壓力,其他管道及附件應能承受正壓l.OMPa、負壓0.097 MPa的壓力。安全保障設施安設段管道宜選用金屬管道,當選用非金屬管道時, 其管材還應符合AQ 1071的有關規定。
5 安全設施
5.1 內燃機瓦斯發電用管道輸送
5.1.1 瓦斯發電用低濃度瓦斯管道輸送安全保障設施應安設阻火泄爆、抑爆、阻爆三種不同原理的阻火防爆裝置。阻火泄爆裝置應選擇水封阻火泄爆裝置,抑爆裝置可選擇自動噴粉抑爆裝置、細水霧輸送 抑爆裝置和氣水兩相流輸送抑爆裝置中的一種,阻爆裝置應選擇自動阻爆裝置。
5.1.2 安全保障設施安設段為火焰傳感器至自動阻爆裝置之間的管道,安全保障設施的安裝順序為: 第一級阻火泄爆裝置,第二級抑爆裝置,第三級阻爆裝置,其安裝位置如圖1所示。
5.1.3 監控用火焰、壓力傳感器安裝在支管上脫水器的兩側。火焰傳感器位于脫水器與發電機組之 間,距離脫水器2 m?3 m;壓力傳感器位于脫水器與分管之間,距離脫水器1m?2 m。
5.1.4 水封式阻火泄爆裝置的安設位置距最遠端支管的距離(沿管道軸向)應小于30 m。
5.1.5 水封式阻火泄爆裝置應能自動控制水位,確保其有效阻火的水封高度。
5.1.6 抑爆裝置選用自動噴粉抑爆裝置時,其安設位置距離最近的火焰傳感器的距離(沿管道軸向)為 40 m?50 m;選用細水霧輸送抑爆裝置或氣水兩相流輸送抑爆裝置時,其安裝始端距水封阻火泄爆裝 置的距離不大于3 m。
5.1.7 自動阻爆裝置距抑爆裝置末端的距離不大于10 m。
5.1.8 安全保障設施任一裝置的運行參數不能滿足安全要求時,應能實現自動報警,并在3 min內關 停發電機組,同時打開瓦斯排空管。
5.1.9 安全保障設施安設段管道公稱內徑不大于500 mm。

圖1 瓦斯發電利用系統安全設施安裝示意圖
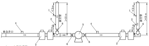
5.2 地面瓦斯排空
抽出的低濃度瓦斯不利用時,其地面排空管路應安設阻火泄爆、抑爆兩種不同原理的阻火防爆 阻火泄爆裝置宜采用水封式阻火泄爆裝置,抑爆裝置宜采用自動噴粉抑爆裝置,其安設位置如圖。
自動噴粉抑爆裝置監控用火焰傳感器安裝在排空管上,距排空管出氣口的距離(沿管道軸向)應自動噴粉抑爆裝置的安設位置距火焰傳感器的距離(沿管道軸向)為30 m?60 m。

1——火焰傳感器;
2——壓力傳感器;
3——水封阻火泄爆裝置;
4——自動噴粉抑爆裝置;
5——真空泵;
6——截止閥。
圖2 地面瓦斯排空系統安全設施安裝示意圖
5.3 采空區抽采用低濃度瓦斯管道輸送
5.3.1 易自燃、自燃煤層的井下采空區低濃度瓦斯抽采,應在靠近抽采地點的管道上安設抑爆裝置。抑爆裝置宜采用自動噴粉抑爆裝置。
以上為標準部分內容,如需看標準全文,請到相關授權網站購買標準正版。
-
IG541混合氣體滅火系統
IG541混合氣體滅火系統:IG-541滅火系統采用的IG-541混合氣體滅火劑是由大氣層中的氮氣(N2)、氬氣(Ar)和二氧化碳(CO2)三種氣體分別以52%、40%、8%的比例混合而成的一種滅火劑 -
二氧化碳氣體滅火系統
二氧化碳氣體滅火系統:二氧化碳氣體滅火系統由瓶架、滅火劑瓶組、泄漏檢測裝置、容器閥、金屬軟管、單向閥(滅火劑管)、集流管、安全泄漏裝置、選擇閥、信號反饋裝置、滅火劑輸送管、噴嘴、驅動氣體瓶組、電磁驅動 -
七氟丙烷滅火系統
七氟丙烷(HFC—227ea)滅火系統是一種高效能的滅火設備,其滅火劑HFC—ea是一種無色、無味、低毒性、絕緣性好、無二次污染的氣體,對大氣臭氧層的耗損潛能值(ODP)為零,是鹵代烷1211、130 -
手提式干粉滅火器
手提式干粉滅火器適滅火時,可手提或肩扛滅火器快速奔赴火場,在距燃燒處5米左右,放下滅火器。如在室外,應選擇在上風方向噴射。使用的干粉滅火器若是外掛式儲壓式的,操作者應一手緊握噴槍、另一手提起儲氣瓶上的


