GB/T 21476-2008 船舶與海上技術 軟管組件的耐火性能 試驗臺要求
- 發表時間:2022-12-21
- 來源:共立消防
- 人氣:
1 范圍
本標準規定了用于確定公稱通徑不小于100mm軟管組件耐火性能按GB/T 21477規定的試驗的試驗臺要求。暴露在火焰中時,能承受不大于10 bar的工作壓力。
軟管的播焰能力試驗不能使用本標準規定的試驗臺。
試驗介質只允許是水。為確保在試驗期間如果軟管破損的情況下操作人員和試驗臺的最大安全,禁止使用易燃試驗介質。
2 規范性引用文件
下列文件中的條款通過本標準的引用而成為本標準的條款。凡是注日期的引用文件,其隨后所有的修改單(不包括勘誤的內容)或修訂版均不適用于本標準,然而,鼓勵根據本標準達成協議的各方研究是否可使用這些文件的最新版本。凡是不注日期的引用文件,其最新版本適用于本標準。
GB/T 21477 船舶與海上技術 軟管組件的耐火性能 試驗方法(GB/T 21477-2008,ISO 15540:1999,IDT)
IEC 60051-1:1984 直流作用顯示、模擬電氣測量裝置及其附件 第1部分:所有部件的定義和通用要求
IEC 60051-1 修正案1號:1994
IEC 60051-1 修正案2號:1995
3 術語和定義
本標準采用下列術語和定義。
3.1
耐火 fire resistance
在標準的耐火試驗中,組成構件、部件或結構的元件,在規定的時間內滿足所要求的穩定性、完整性、熱絕緣和/或其他預期的特定性能的能力。
4 要求
4.1 試驗臺部件
試驗臺應由下列部分構成(見圖1):
——帶有軟管組件、燃燒器和排氣總管連接設備的燃燒室(見4.2);
——帶有調節和控制試驗介質的設備的組合箱(見4.3);
——監控和記錄試驗進程的設備(見4.4);
——加壓設備,在施加火焰的末期能給試件加載技術規范規定的試驗壓力(見4.5)。

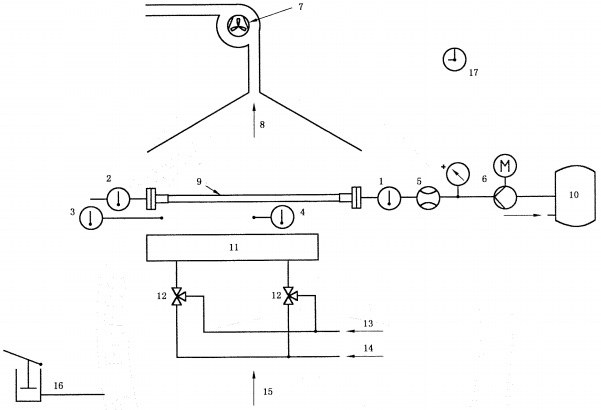
指示、測量、記錄、控制和調整。
1——試件入口處水溫表;
2——試件出口處水溫表;
3——試件出口處下方的火焰溫度計;
4——試件中部下方的火焰溫度計;
5——流量計;
6——試驗期間的工作壓力表;
7——風扇:
8——排氣口;
9——試件;
10——加熱/冷卻水箱;
11——燃燒器;
12——混合閥;
13——氣體;
14——燃氣;
15——空氣;
16——壓力試驗泵;
17——試驗持續計時器。
圖1 試驗臺簡圖
4.2 燃燒室
4.2.1 概述
試件的連接應該布置在一定的操作高度(例如1100mm),能使帶有最短500mm長的軟管的軟管組件進行試驗。應提供穩定地向上流動的空氣。空氣供給的基本面積大約為0.6m2。
燃燒室的布置示例見圖2。
單位為毫米

1——水溫表;
2——火焰溫度計;
3——流量計;
4——壓力表;
5——擴散器;
6——排氣總管;
7——節流閥;
8——試件;
9——水;
10——燃燒器支架;
11——水、燃燒殘余滴落盤;
12——排氣扇;
13——觀察窗;
14——丙烷;
15——燃氣;
16——燃燒器工作位置;
17——用于調節火焰的燃燒器一般位置;
18——燃燒器布置(6個單獨的燃燒單元組成兩種不同燃燒器的截面積示例)。
圖2 燃燒室典型圖
4.2.2 燃燒器
燃燒器的總截面積最小應為150mm×500mm。截面積可以由幾個燃燒器單元的面積組成。
應使用每平方分米最少有20個噴嘴的燃燒器。
燃燒器應為扇葉型。
以上為標準部分內容,如需看標準全文,請到相關授權網站購買標準正版。
-
IG541混合氣體滅火系統
IG541混合氣體滅火系統:IG-541滅火系統采用的IG-541混合氣體滅火劑是由大氣層中的氮氣(N2)、氬氣(Ar)和二氧化碳(CO2)三種氣體分別以52%、40%、8%的比例混合而成的一種滅火劑 -
二氧化碳氣體滅火系統
二氧化碳氣體滅火系統:二氧化碳氣體滅火系統由瓶架、滅火劑瓶組、泄漏檢測裝置、容器閥、金屬軟管、單向閥(滅火劑管)、集流管、安全泄漏裝置、選擇閥、信號反饋裝置、滅火劑輸送管、噴嘴、驅動氣體瓶組、電磁驅動 -
七氟丙烷滅火系統
七氟丙烷(HFC—227ea)滅火系統是一種高效能的滅火設備,其滅火劑HFC—ea是一種無色、無味、低毒性、絕緣性好、無二次污染的氣體,對大氣臭氧層的耗損潛能值(ODP)為零,是鹵代烷1211、130 -
手提式干粉滅火器
手提式干粉滅火器適滅火時,可手提或肩扛滅火器快速奔赴火場,在距燃燒處5米左右,放下滅火器。如在室外,應選擇在上風方向噴射。使用的干粉滅火器若是外掛式儲壓式的,操作者應一手緊握噴槍、另一手提起儲氣瓶上的


