GB/T 20953-2007 農林拖拉機和機械 駕駛室內飾材料燃燒特性的測定
- 發表時間:2022-11-24
- 來源:共立消防
- 人氣:
1 范圍
本標準規定了農林拖拉機和機械的駕駛室用內飾材料水平燃燒特性的試驗方法。
鑒于各種駕駛室內飾零件實際情況(零件應用部位、布置方法、使用條件、引火源等)和本標準中規定的精確試驗條件之間有許多差別,本標準不適用于評價內飾材料所有真實的駕駛室內燃燒特性。
2 規范性引用文件
下列文件中的條款通過本標準的引用而成為本標準的條款。凡是注日期的引用文件,其隨后所有的修改單(不包括勘誤的內容)或修訂版均不適用于本標準,然而,鼓勵根據本標準達成協議的各方研究是否可使用這些文件的最新版本。凡是不注日期的引用文件,其最新版本適用于本標準。
GB/T 1804 一般公差 未注公差的線性和角度尺寸的公差(GB/T 1804-2000,eqv ISO 2768-1:1989)
3 術語和定義
下列術語和定義適用于本標準。
3.1
燃燒速度 burning rate
按本標準規定測得的燃燒距離與燃燒此距離所用時間的比值。單位以mm/min表示。
3.2
層積復合材料 composite material
若干層相似或不同材料,其表面之間由燒結、粘結、覆層、焊接等不同方法使全面緊密結合在一起的材料。
若不同材料斷續連結在一起(例如由縫紉、高頻焊接、鉚接),這種材料應認為不是層積復合材料。
3.3
暴露面 exposed side
零件裝配在車內面向乘員的那一面。
4 操作方法
將試樣水平地夾持在U形支架上,在燃燒箱中受規定的小能量小火焰點燃15s,火焰在試樣的自由端點燃。試驗確定火焰是否熄滅,或何時熄滅,以及試樣燃燒的距離和燃燒該距離所用時間。
5 試驗裝置及器具
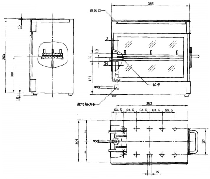
5.1 燃燒箱(見圖1)用不銹鋼鋼板制成,尺寸見圖2。燃燒箱的前部設有一個耐火玻璃觀察窗,該窗可整塊蓋住前面,也可做成小型觀察窗。
燃燒箱底部設有通風孔,四壁靠近頂部四周有通風槽。整個燃燒箱由4只高10mm的支腳支承著。
燃燒箱一端設有可將裝有試樣的支架放入可封閉的開孔,另一端則設一個小門,門上有通燃氣管用的小孔。燃燒箱底部設有一只用于收集熔融滴落物的收集盤(見圖3)。此盤放置在兩排通風孔之間而又不影響通風孔的通風。

圖1 燃燒箱(帶試樣支架和滴落物收集盤)
單位為毫米

公差按照GB/T 1804規定。
圖2 燃燒箱
單位為毫米

公差按照GB/T 1804規定。
圖3 典型的滴落物收集盤

如果沒有其他要求,公差按照GB/T-1804規定。
圖4 試樣支架
5.2 試樣支架由兩塊U形耐腐蝕金屬板制成的框架組成,尺寸見圖4。
支架下板裝有若干個銷子,上板相應設有銷孔,以保證均勻夾持試樣。銷子也作為燃燒距離的起點(第一標線)和終點(第二標線)的標記。
另一種支架的下板不僅設有若干個銷子,而且支架下板布有間距為25mm的耐熱金屬支承線,線徑0.25mm(見圖5)。
安裝后的試樣底面應在燃燒箱底板之上178mm,試樣支架前端距燃燒箱的內表面距離應為22mm,試驗支架兩縱外側離燃燒箱內表面距離為50mm(見圖1和圖2)。
5.3 燃氣燃燒器為試驗用火源,燃燒器噴嘴內徑為9.5mm。當燃燒器置于燃燒箱內時,其噴嘴頭部中心處于試樣自由端中心以下19mm處(見圖2)。
5.4 供給燃氣燃燒器試驗用可燃性氣體燃燒后的熱值約為38MJ/m3(例如天然氣)。
以上為標準部分內容,如需看標準全文,請到相關授權網站購買標準正版。
-
IG541混合氣體滅火系統
IG541混合氣體滅火系統:IG-541滅火系統采用的IG-541混合氣體滅火劑是由大氣層中的氮氣(N2)、氬氣(Ar)和二氧化碳(CO2)三種氣體分別以52%、40%、8%的比例混合而成的一種滅火劑 -
二氧化碳氣體滅火系統
二氧化碳氣體滅火系統:二氧化碳氣體滅火系統由瓶架、滅火劑瓶組、泄漏檢測裝置、容器閥、金屬軟管、單向閥(滅火劑管)、集流管、安全泄漏裝置、選擇閥、信號反饋裝置、滅火劑輸送管、噴嘴、驅動氣體瓶組、電磁驅動 -
七氟丙烷滅火系統
七氟丙烷(HFC—227ea)滅火系統是一種高效能的滅火設備,其滅火劑HFC—ea是一種無色、無味、低毒性、絕緣性好、無二次污染的氣體,對大氣臭氧層的耗損潛能值(ODP)為零,是鹵代烷1211、130 -
手提式干粉滅火器
手提式干粉滅火器適滅火時,可手提或肩扛滅火器快速奔赴火場,在距燃燒處5米左右,放下滅火器。如在室外,應選擇在上風方向噴射。使用的干粉滅火器若是外掛式儲壓式的,操作者應一手緊握噴槍、另一手提起儲氣瓶上的


