GB/T 14089-1993 船用鹵代烷滅火裝置
- 發表時間:2022-11-15
- 來源:共立消防
- 人氣:
1 主題內容與適用范圍
本標準規定了船用鹵代烷1211和鹵代烷1301滅火裝置的組成、部件分類、技術要求、試驗方法和驗收規則等。
本標準適用于船用鹵代烷1211和鹵代烷1301滅火裝置。
2 引用標準
GB 308 滾動軸承 鋼球
GB 708 冷軋鋼板和鋼帶的尺寸、外形、重量及允許偏差
GB 908 鍛制圓鋼和方鋼尺寸、外形、重量及允許偏差
GB 1220 不銹鋼棒
GB 1226 一般壓力表
GB 1527 拉制銅管
GB 2066 錫青銅帶
GB 2270 不銹鋼無縫鋼管
GB 3032 船舶管路附件的標志
GB 3077 合金結構鋼 技術條件
GB 3124 錫青銅線
GB 4065 二氟一氯一溴甲烷滅火劑
GB 4426 復雜黃銅棒
GB 4429 鋁青銅棒
GB 6051 三氟一溴甲烷滅火劑(1301滅火劑)
GB 7039 往復運動用密封圈膠料
GB/T 14088 船用鹵代烷滅火系統技術條件
CB* 56 管子平肩螺紋接頭
CB 773 結構鋼鍛件技術條件
CB* 822 高壓管子螺紋接頭
CB 862.1~862.2 有色金屬鍛件技術條件
CB 893 高壓空氣瓶
CB 1146.2 船舶設備環境試驗方法 試驗A:低溫
CB 1146.3 船舶設備環境試驗方法 試驗B:高溫
CB 1146.5 船舶設備環境試驗方法 試驗 Db:交變濕熱
CB 1146.6 船舶設備環境試驗方法 試驗Ea:沖擊
CB 1146.7 船舶設備環境試驗方法 試驗Eb:碰撞
CB 1146.8 船舶設備環境試驗方法 試驗Ee:傾斜和搖擺
CB 1146.9 船舶設備環境試驗方法 試驗Fc:振動
CB 1146.11 船舶設備環境試驗方法 試驗J:長霉
CB 1146.12 船舶設備環境試驗方法 試驗Ka:鹽霧
CB 1146.15 船舶設備環境試驗方法 試驗R:外殼防水
JB 889 3725-1酚醛層壓布棒
3 組成
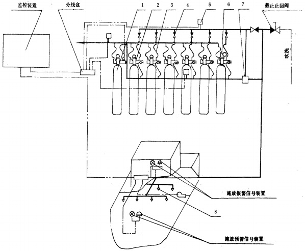
3.1 船用鹵代烷滅火裝置的組成按圖1、圖2。

圖1 船用鹵代烷滅火裝置的組成(不帶施放裝置)
1-滅火劑容器;2一容器閥;3一金屬撓性接管;4一止回閥;5一壓力信號發送器;6-注入測壓閥;7-液控單向閥;8-噴嘴

圖2 船用鹵代烷滅火裝置的組成(帶施放裝置)
1-滅火劑容器;2一容器閥;3-金屬撓性接管;4一止回閥;5一壓力信號發送器;6-注入測壓閥;7-噴嘴;8一施放裝置
4 部件分類
4.1 滅火劑容器
4.1.1 滅火劑容器的類型:
A型——電引爆、氣動、人力機械三種操作方式的滅火劑容器;
B型——電引爆、人力機械兩種操作方式的滅火劑容器;
C型——氣動、人力機械兩種操作方式的滅火劑容器。
4.1.2 滅火劑代號:
F——鹵代烷1211滅火劑;
N——鹵代烷1301滅火劑。
4.1.3 滅火劑容器的基本參數按表1。
以上為標準部分內容,如需看標準全文,請到相關授權網站購買標準正版。
-
IG541混合氣體滅火系統
IG541混合氣體滅火系統:IG-541滅火系統采用的IG-541混合氣體滅火劑是由大氣層中的氮氣(N2)、氬氣(Ar)和二氧化碳(CO2)三種氣體分別以52%、40%、8%的比例混合而成的一種滅火劑 -
二氧化碳氣體滅火系統
二氧化碳氣體滅火系統:二氧化碳氣體滅火系統由瓶架、滅火劑瓶組、泄漏檢測裝置、容器閥、金屬軟管、單向閥(滅火劑管)、集流管、安全泄漏裝置、選擇閥、信號反饋裝置、滅火劑輸送管、噴嘴、驅動氣體瓶組、電磁驅動 -
七氟丙烷滅火系統
七氟丙烷(HFC—227ea)滅火系統是一種高效能的滅火設備,其滅火劑HFC—ea是一種無色、無味、低毒性、絕緣性好、無二次污染的氣體,對大氣臭氧層的耗損潛能值(ODP)為零,是鹵代烷1211、130 -
手提式干粉滅火器
手提式干粉滅火器適滅火時,可手提或肩扛滅火器快速奔赴火場,在距燃燒處5米左右,放下滅火器。如在室外,應選擇在上風方向噴射。使用的干粉滅火器若是外掛式儲壓式的,操作者應一手緊握噴槍、另一手提起儲氣瓶上的


