GB/T 5137.2-2020 汽車安全玻璃試驗方法 第2部分:光學性能試驗
- 發表時間:2023-03-15
- 來源:共立消防
- 人氣:
1 范圍
GB/T 5137的本部分規定了汽車用安全玻璃的可見光透射比試驗、副像偏離試驗、光畸變試驗和可見光反射比試驗的方法。
本部分適用于汽車安全玻璃的試驗。
2 規范性引用文件
下列文件對于本文件的應用是必不可少的。凡是注日期的引用文件,僅注日期的版本適用于本文件。凡是不注日期的引用文本,其最新版本(包括所有的修改單)適用于本文件。
QC/T 1119 汽車安全玻璃術語(QC/T 1119-2019,ISO 3536:2016,MOD)
3 術語和定義
QC/T 1119界定的術語和定義適用于本文件。
4 試驗條件
除特殊規定外,試驗應在下述環境條件下進行:
a)環境溫度:20℃±5℃;
b)氣壓:8.60×104Pa~1.06×105Pa;
c)相對濕度:40%~80%。
5 可見光透射比試驗
5.1 試驗目的
測定安全玻璃是否具有一定的規則透射比。
5.2 試樣
應使用制品或試驗片,試驗片可以從制品上相應試驗區域切取。試驗前,試樣應清潔干凈,不應有污物和結露。
5.3 試驗設備
5.3.1 光源:鎢絲燈,其燈絲在1.5mmx1.5mmx3mm的平行六面體內,或加限定光闌。光源光譜分布應符合CIE標準照明體A的相對光譜功率分布。加于燈絲兩端的電壓應使色溫為2856K±50K,電壓應穩定在±0.1%范圍內。
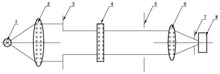
5.3.2 光學系統:其測試原理示意圖見圖1。由焦距f不小于500mm并經過色差校正的兩個透鏡L1和L2組成。透鏡的相對口徑不超過f/20。透鏡L1與光源之間的距離應能調節,以便獲得基本平行的光束。在離透鏡L1100mm±50mm處遠離光源的一側裝一光闌A1,把光束的直徑限制在7mm±1mm內。第二個光闌A2,應放在與L1具有相同性能的透鏡L2前,光源的成像應位于接收器的中心。第三個光闌A3,其直徑稍大于光源像最大尺寸的橫斷面,應放在接收器前,以避免由試樣產生的散射光落到接收器上。測量點應位于光束中心。

說明:
1——光源;
2——透鏡L1;
3——光闌A1;
4——試樣;
5——光闌A2;
6-透鏡L2;
7——光闌A3;
8——接收器。
圖1 光學系統測試原理示意圖
5.3.3 測量裝置:接收器的相對光譜靈敏度應與CIE1931光譜光視效率相一致。接收器的敏感表面應以散射介質覆蓋,且至少應是光源像最大尺寸橫斷面的兩倍。若使用積分球,則球的入射孔直徑至少應為光源像最大尺寸橫斷面的兩倍。
接收器及配套指示儀器的線性不應大于滿刻度的±2%或讀數數值的±10%,選擇小值。
5.4 試驗程序
5.4.1 打開儀器電源,試樣放入光路前,調整接收器顯示值至100。遮擋光路,調整接收器顯示值為0。
5.4.2 把試樣放入光闌A1和A2之間,通過調整試樣方位使光束與玻璃表面入射角為90°±5°。
5.4.3 測定試樣的可見光透射比,讀取接收器顯示值n,結果保留1位小數。可見光透射比r,等于n/100。
6 副像偏離試驗
6.1 試驗目的
測定主像與副像間的角偏差。
6.2 試樣
以制品為試樣。
6.3 試驗方法
可采用兩種試驗方法:
a) 靶試驗;
b) 準直望遠鏡試驗。
6.4 靶試驗
6.4.1 試驗設備
試驗設備應由以下幾部分構成:
a)靶式光源儀:由約300mm×300mm×150mm的光盒制成,其前面蒙有不透明黑紙或涂有無光澤黑漆的玻璃制成的靶,可選擇圖2中的任意一種。光盒內使用合適的光源照明,內表面涂無光澤白色涂層。
b) 試樣支架:可將試樣以實車安裝角安放并可在水平及垂直方向轉動和移動。
單位為毫米

說明:
1——環靶中的環;
2——點環靶中的環;
3——點環靶的中心點;
D——對于環靶,為環的外徑;對于點環靶,為點環靶的中心點外緣到環內側最近的一點之間的距離;
d——環的外徑與內徑之差,為2mm。
圖2 靶的示意圖
圖2中,D由式(1)得出:
D=1 000xtann
式中:
D——對于環靶,為環的外徑;對于點環靶,為點環靶的中心點外緣到環內側最近的一點之間的距離,單位為毫米(mm);
x——試樣與靶間距離,單位為米(m);
η——副像偏離的極限值,單位為分(')。
6.4.2 試驗程序
6.4.2.1 按圖3設置試樣。將儀器設置在暗室或暗處以便觀察。試樣與靶間距離不應小于7m。
6.4.2.2 將試樣在水平方向回轉,保證被測點的水平切線與觀察方向基本垂直,并在水平和垂直方向移動,以觀察整個試驗區域,見圖4。觀察者距離試樣的距離應盡量接近實車乘坐人與玻璃之間的距離,透過試樣進行觀察,也可使用單筒望遠鏡進行觀察。
6.4.2.3 對于環靶,記錄環的副像與環是否完全分離,即是否超過極限值η。
6.4.2.4 對于點環靶,記錄位于靶式光源儀中央的光斑的副像是否超過與圓環內緣相切的點,即是否超過極限值。
以上為標準部分內容,如需看標準全文,請到相關授權網站購買標準正版。
-
IG541混合氣體滅火系統
IG541混合氣體滅火系統:IG-541滅火系統采用的IG-541混合氣體滅火劑是由大氣層中的氮氣(N2)、氬氣(Ar)和二氧化碳(CO2)三種氣體分別以52%、40%、8%的比例混合而成的一種滅火劑 -
二氧化碳氣體滅火系統
二氧化碳氣體滅火系統:二氧化碳氣體滅火系統由瓶架、滅火劑瓶組、泄漏檢測裝置、容器閥、金屬軟管、單向閥(滅火劑管)、集流管、安全泄漏裝置、選擇閥、信號反饋裝置、滅火劑輸送管、噴嘴、驅動氣體瓶組、電磁驅動 -
七氟丙烷滅火系統
七氟丙烷(HFC—227ea)滅火系統是一種高效能的滅火設備,其滅火劑HFC—ea是一種無色、無味、低毒性、絕緣性好、無二次污染的氣體,對大氣臭氧層的耗損潛能值(ODP)為零,是鹵代烷1211、130 -
手提式干粉滅火器
手提式干粉滅火器適滅火時,可手提或肩扛滅火器快速奔赴火場,在距燃燒處5米左右,放下滅火器。如在室外,應選擇在上風方向噴射。使用的干粉滅火器若是外掛式儲壓式的,操作者應一手緊握噴槍、另一手提起儲氣瓶上的


