GB/T 39488-2020 燃氣燃燒器和燃燒器具用安全和控制裝置 特殊要求 電子式燃氣與空氣比例控制系統
- 發表時間:2023-03-11
- 來源:共立消防
- 人氣:
1 范圍
本標準規定了使用GB/T 13611規定的城鎮燃氣的燃燒器和燃燒器具用電子式燃氣與空氣比例控制系統的結構和材料、要求、試驗方法、檢驗規則、標志、安裝和操作說明書、包裝、運輸和貯存。
本標準適用于閉環控制,且用于預混燃燒的燃氣熱水器、燃氣采暖熱水爐、燃氣燃燒器/機、燃氣取暖器、燃氣鍋爐等燃氣燃燒器具或燃燒設備的電子式燃氣與空氣比例控制系統。
2 規范性引用文件
下列文件對于本文件的應用是必不可少的。凡是注日期的引用文件,僅注日期的版本適用于本文件。凡是不注日期的引用文件,其最新版本(包括所有的修改單)適用于本文件。
GB/T 2828.1 計數抽樣檢驗程序 第1部分:按接收質量限(AQL)檢索的逐批檢驗抽樣計劃(GB/T 2828.1-2012,ISO 2859-1:1999,IDT)
GB/T 4208 外殼防護等級(IP代碼)(GB/T 4208-2017,IEC 60529:2013,IDT)
GB/T 13611 城鎮燃氣分類和基本特性
GB/T 14536.1-2008 家用和類似用途電自動控制器 第1部分:通用要求[IEC 60730-1:2003(Ed3.1),IDT]
GB/T 14536.6-2008 家用和類似用途電自動控制器 燃燒器電自動控制系統的特殊要求(IEC 60730-2-5:2004,IDT)
GB/T 30597-2014 燃氣燃燒器和燃燒器具用安全和控制裝置通用要求(ISO 23550:2011,MOD)
3 術語和定義
GB/T 30597、GB/T 14536.1、GB/T 14536.6界定的以及下列術語和定義適用于本文件。
3.1
電子式燃氣與空氣比例控制系統 electronic type gas and air ratio control systemERC
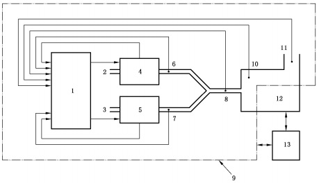
由電子控制模塊、執行機構(至少含燃氣調節單元和空氣流量調節單元)、指定的反饋信號組成的,用以調節燃氣和空氣比例的閉環控制系統,見圖1。
3.2
電子控制模塊 electronic control module
含所有輸入/輸出控制元件的電子主控模塊,見圖1。
3.3
定義狀態 defined state
系統故障進入下列特征之一的安全狀態:
a) 系統被動地進入一種狀態,在該狀態下燃氣處于切斷狀態,當導致進入該狀態的原因不再存在時,再次啟動只能按特定的要求進行;
b)系統在規定的時間內主動執行安全關閉或進入鎖定狀態;
c)系統繼續運行且滿足所有與安全相關的功能要求。
注:改寫GB/T 30597-2014,定義3.15。
3.4
故障反應時間 fault reaction time
ERC從發生故障到處于定義狀態的時間。
注:改寫GB/T 30597-2014,定義3.16。
3.5
安全關閉 safety shut-down
通過限制器、安全切斷裝置或內部故障檢測實現燃氣安全切斷。
注:改寫GB/T 14536.6-2008,定義2.3.122。
4 結構和材料
4.1 一般要求
ERC應為閉環結構系統,并應符合下列規定:
a)ERC應至少包括電子控制模塊、2個執行機構(燃氣和空氣調節單元部分)、傳感器部分(燃氣和空氣調節單元傳感器部分或過程傳感器部分),結構及可接受的反饋類型見圖1和表1;
說明:
1——電子控制模塊;
2——空氣;
3——空氣調節機構;
4——空氣傳感器;
5——燃氣/空氣混合比例傳感器;
6——火焰傳感器;
7——煙氣傳感器;
8——燃燒過程;
9——燃燒器控制系統;
10——ERC邊界范圍;
11——燃氣傳感器;
12——燃氣調節機構;
13——燃氣。
圖1 ERC結構示意圖
b) 整個系統應包括外部裝置,如伺服電機、調節器、定位裝置、傳感器、燃燒空氣風機用的變速控制器和燃燒分析反饋系統等;
c) ERC應有連續的相關自檢模式,如操作模式、待機模式、啟動模式和關閉模式。
表1 可接受的反饋類型
調節器 | 裝置 | 調節器反饋 | 調節器輸出反饋 | ||
位置 | 速度 | 流量/壓差 | 壓力 | ||
空氣 | 閥 | O | - | O | O |
風機 | - | O | O | O | |
燃氣 | 閥 | O | - | O | O |
調壓器 | - | - | O | O | |
ERC應至少設置2路單元反饋(1路為燃氣反饋,1路為空氣反饋),或用1路過程反饋'來代替,以獲得燃氣和空氣的比例信息。 注:“-”表示不采用,“O”表示采用。 | |||||
與調節器機械部件直接相關的位置反饋信號。 當采用風機轉速信號控制空氣流量時,不應僅靠風機轉速來監控空氣流量,還應至少在啟動過程中采用1路獨立的電流反饋監控信號或通過1個獨立的氣流監控裝置獲取附加信號。 指下列過程反饋: ——燃氣/空氣實際混合比例; ——火焰信號; ——煙氣信號。 | |||||
4.2 結構
4.2.1 調節器及相關機械構件應符合GB/T 30597-2014中5.2的規定。
4.2.2 當ERC元件采用非金屬材料制造時,該元件應在機械性能、化學性能、熱性能和指定用途環境條件等方面滿足整體結構要求。
4.2.3 當ERC采用帶位置反饋傳感器的電動機械調節器,其反饋傳感器應始終指示出控制元件的實際位置,且應至少符合下列規定:
——連接調節器和調節器反饋傳感器的機械裝置應為封閉結構、確保無滑動;
——測試位置的設置應優先于傳感器和控制元件連接件的扭轉要求;
——當調節器由獨立的調節元件和控制元件構成時,應確保無滑動,螺釘、銷釘及其他防滑動元件也應通過鎖定保證其無滑動。
4.3 材料
調節器及相關機械構件的材料應符合GB/T 30597-2014中5.3的規定。
4.4 燃氣連接
燃氣調節器及相關機械構件的連接方式應符合GB/T 30597-2014中5.4的規定。
4.5 電子元件
ERC使用電子元件部分的結構設計應符合GB/T 30597-2014中5.5的規定。
以上為標準部分內容,如需看標準全文,請到相關授權網站購買標準正版。
-
IG541混合氣體滅火系統
IG541混合氣體滅火系統:IG-541滅火系統采用的IG-541混合氣體滅火劑是由大氣層中的氮氣(N2)、氬氣(Ar)和二氧化碳(CO2)三種氣體分別以52%、40%、8%的比例混合而成的一種滅火劑 -
二氧化碳氣體滅火系統
二氧化碳氣體滅火系統:二氧化碳氣體滅火系統由瓶架、滅火劑瓶組、泄漏檢測裝置、容器閥、金屬軟管、單向閥(滅火劑管)、集流管、安全泄漏裝置、選擇閥、信號反饋裝置、滅火劑輸送管、噴嘴、驅動氣體瓶組、電磁驅動 -
七氟丙烷滅火系統
七氟丙烷(HFC—227ea)滅火系統是一種高效能的滅火設備,其滅火劑HFC—ea是一種無色、無味、低毒性、絕緣性好、無二次污染的氣體,對大氣臭氧層的耗損潛能值(ODP)為零,是鹵代烷1211、130 -
手提式干粉滅火器
手提式干粉滅火器適滅火時,可手提或肩扛滅火器快速奔赴火場,在距燃燒處5米左右,放下滅火器。如在室外,應選擇在上風方向噴射。使用的干粉滅火器若是外掛式儲壓式的,操作者應一手緊握噴槍、另一手提起儲氣瓶上的


